【導讀】本應用筆記介紹了采用表面貼裝封裝的 n 通道雙 MOSFET 的低壓電機驅動設計。它描述了使用不同電壓應用的設計,以及自適應 MOSFET 柵極驅動器,這是驅動雙 n 溝道半橋的第三種方法。
本應用筆記介紹了采用表面貼裝封裝的 n 通道雙 MOSFET 的低壓電機驅動設計。它描述了使用不同電壓應用的設計,以及自適應 MOSFET 柵極驅動器,這是驅動雙 n 溝道半橋的第三種方法。
低壓電機驅動器使用兩種基本 MOSFET 配置:n 溝道半橋以及 p 和 n 溝道(互補)半橋?;パa方法的主要優(yōu)點是其柵極驅動電路的簡單性,如 Vishay Siliconix 應用筆記 AN90-4 中所述。當 n 溝道 MOSFET 用于高側(或“上部”)開關時,柵極驅動信號需要電平轉換,從而導致復雜性和成本增加。
5V 應用
在圖 1 中,電荷泵電路用于將 5 V 電源(實際上為 4.5 V)升壓至足以直接驅動上部和下部 MOSFET 柵極的電壓。

5V、三相電機驅動
下部 n 溝道器件的額定電壓,并為上部 n 溝道 MOSFET 提供至少 7.5 V 的柵極增強電壓?!败壍杰墶彬寗铀袞艠O 考慮到輸入電平變化(4.5 至 5.5 V)和電荷泵損耗,產生的電源電壓范圍約為 12 至 16 V。該電壓范圍安全地在 20 -V 柵源導致較低器件的阻抗稍低。然而,在電機驅動中,總阻抗(一個上部 MOSFET 加一個下部 MOSFET)通常比對稱性更重要。
12V 應用
如果可以接受動態(tài)柵極驅動技術,則可以大大簡化中間低壓應用(大約 12V)。自舉電容器布置是一種簡單且廉價的方法,可提供驅動高側柵極所需的電壓(圖 2)。在相對較窄的電壓范圍(約 10 至 20 V)內,可以選擇簡單的無源上拉 (R1) 值,以提供快速轉換速率和可容忍的開關損耗。對于高于 20V 的工作電壓,可能需要采用有源上拉電平移位裝置,并且應使用齊納二極管對 Q2 的柵源進行鉗位,以保證不違反 V GS 額定值。采用這種技術時,工作電壓低于約 10 V 可能會導致 Q2 柵極驅動不足。自舉電容器中存儲的電壓等于 10V(電源電壓)減去二極管壓降,再減去 MOSFET 壓降(Q1 上的負載電流 xr DS(on))。該電壓因電荷而進一步降低,必須傳輸電荷才能充分增強 Q2 的柵極,并且電壓會因流經 D1 和 Q3 的漏電流而隨時間衰減。

12V電機驅動
在圖 2 中,下部 MOSFET (Q1) 和電平轉換 MOSFET (Q3) 的輸入連接在一起。自舉布置并不能完全消除使用關閉兩個輸出器件的換向或調制序列,并且有必要在開啟 Q2 之前開啟 Q1 以對自舉電容器進行再充電。Q2 不能無限期地保持,并且自舉裝置固有的“動態(tài)”性質使其無法在某些電機驅動應用中使用。但對于許多其他人來說,它可以提供技術上可接受且極具成本效益的解決方案。
12V 至 36V 應用
簡單、元件少的電荷泵電路可為中壓應用提供靜態(tài)操作和可容忍的開關時間。圖 3 所示的電荷泵電路已減少到少數量的組件,并假設系統(tǒng) 12V 電源可用于驅動接地參考 MOSFET 柵極和振蕩器。遠高于所需開關頻率的振蕩器頻率將利用小電荷泵電容 (C1) 在短的時間內對高側 MOSFET 柵極進行充電。在此示例中,為了實現 20kHz 開關頻率和可容忍的開關損耗,選擇了 2MHz 振蕩器和 0.001μF 電荷泵電容器以獲得 500ns 的輸出上升時間。

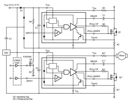
12 至 36 V 電機驅動
Si9910DY 自適應 MOSFET 柵極驅動器(圖 4)提供了第三種驅動雙 n 溝道半橋的方法。雖然 Si9910 設計用于以更高功率水平驅動 MOSFET,但事實證明,Si9910 對于低功率系統(tǒng)來說是一種極具成本效益的解決方案(與分立解決方案相比)。

Si9910 在集成 MOSFET 柵極驅動器中,它提供低輸出阻抗,同時在開啟(輸出高電平)時消耗小于 1 A 的電源電流。這使得驅動器能夠以高側開關的源極為參考,并由自舉電容器、電荷泵或兩者的組合供電。將 Si9910 與自舉電容器的高峰值電流能力相結合,可實現快速、高效的轉換速率。添加小型電荷泵將克服導通狀態(tài)泄漏損耗,從而提供高側輸出器件的連續(xù)(靜態(tài))操作。Si9910 還提供 di/dt、dv/dt 和直通電流控制以及欠壓和災難性電流保護的方法。
免責聲明:本文為轉載文章,轉載此文目的在于傳遞更多信息,版權歸原作者所有。本文所用視頻、圖片、文字如涉及作品版權問題,請聯系小編進行處理。
推薦閱讀:





